NB
SMST6WUU NB 6mm Slide Bush Bushings Miniature Motion Linear Bearing
Title
Regular price
$176.99
Sale price$271.00you save $94.01
SKU: Kit20732
UPC: 00193019121269
UPC: 00193019121269
Item: SMST6WUU NB Bearing
Type: Linear Slide Bush
Retainer Material: Steel
Bearing Inner Diameter: 6mm
Quantity: One Bearing
Type: Linear Slide Bush
Retainer Material: Steel
Bearing Inner Diameter: 6mm
Quantity: One Bearing
| SMST6WUU NB Two Side Cut Double Wide Bearing Flange Anticorrosion Slide Bush Made in Japan:NB Linear Systems Nippon Bearing Linear Systems |
SMST6WUU NB Two Side Cut Double Wide Flange Anticorrosion Slide Bush, The retainer material is steel, series mainly used in the USA, NB brand (Nippon Bearing Linear Systems), Made in Japan.
|
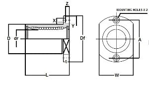
| Major Dimensions | |||||||||
|---|---|---|---|---|---|---|---|---|---|
| dr | D | L | Df | W | t | A | X x Y x Z | ||
| mm | tolerance | mm | tolerance | ||||||
| 6 | 0-10 | 12 | 0-13 | 35 | 28 | 18 | 5 | 20 | 3.5 x 6 x 3.1 |
Share