NB

SMSF8UU 8mm Slide Bush Bushings Miniature Motion Linear Bearing

Regular price $88.88 Sale price$200.00you save $111.12
SKU: Kit20089
UPC: 00193019115961
Item: SMSF8UU Bearing
Type: Linear Miniature Slide Bush
Retainer Material: Steel
Bearing Inner Diameter: 8mm
Quantity: One Bearing
SMSF8UU Round Flange Anticorrosion Type:Miniature Slide Bush
Made in Japan:NB Linear Systems
Nippon Bearing Miniature Linear Systems


SMSF8UU Round Flange Anticorrosion Miniature Linear Slide Bush, Bearing is seals on both sides, The retainer material is steel, series mainly used in the USA, NB brand (Nippon Bearing Linear Systems), Made in Japan.
  • SMSF8UU Bearing
  • Linear Miniature Slide Bush
  • Retainer Material: Steel
  • Bearing Inner Diameter: 8mm
  • Quantity: 1 Bearing
  • Dynamic load rating Cr: 274 N
  • Static load rating Cor: 392 N


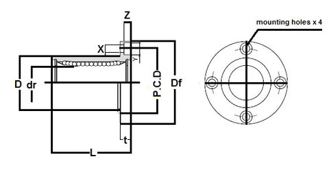
Major Dimensions
dr D L Df t P.C.D X x Y x Z
mm tolerance mm tolerance
8 0-9 15 0-13 24 32 5 24 3.5 x 6 x 3.1