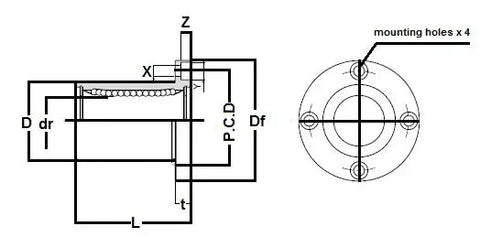
SMSF50 50mm Slide Bush Bushings Motion Linear Bearing designed for smooth motion and stable alignment in automation and mechanical systems, 1-pack for long service life
Title
Regular price
$650.99
Sale price$996.00you save $345.01
SKU: Kit20073
UPC: 00193019115800
UPC: 00193019115800
Item: SMSF50 Bearing
Type: Linear Slide Bush
Retainer Material: Steel
Quantity: One Bearing
Dynamic load rating Cr: 3820 N
Type: Linear Slide Bush
Retainer Material: Steel
Quantity: One Bearing
Dynamic load rating Cr: 3820 N
SMSF50 50mm Slide Bush Bushings Motion Linear Bearing made for smooth installs and steady fit
✔️ SMSF50 50mm Slide Bush Bushings Motion Linear Bearing
This 1 pack is designed for clean replacement and smooth mechanical operation.
✅ Pack size: 1
✅ Smooth motion for mechanical assemblies
✅ Stable fit to reduce play and vibration
✅ Made for repeated use in motion systems
✅ Works for upgrades or direct replacements
💡 How do you size a ballscrew kit to avoid backlash in CNC builds?
Quick answer: match pitch, load, and support style to your machine setup.
* Pitch controls feed speed and motor load
* End supports keep alignment stable under load
* Proper lubrication reduces heat and wear
Built to help maintain accuracy and smooth movement in working systems.
Share