NB

SMSF35G 35mm Slide Bush Bushings Motion Linear Bearing designed for smooth motion and stable alignment in automation and mechanical systems, 1-pack for long service life

Regular price $250.99 Sale price$384.00you save $133.01
SKU: Kit20084
UPC: 00193019115916
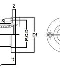
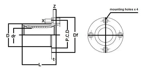
Item: SMSF35G Bearing
Type: Linear Slide Bush
Retainer Material: Steel
Bearing Inner Diameter: 35mm
Quantity: One Bearing

SMSF35G 35mm Slide Bush Bushings Motion Linear Bearing made for smooth installs and steady fit
✔️ SMSF35G 35mm Slide Bush Bushings Motion Linear Bearing

This 1 pack is designed for clean replacement and smooth mechanical operation.

✅ Pack size: 1
✅ Smooth motion for mechanical assemblies
✅ Stable fit to reduce play and vibration
✅ Made for repeated use in motion systems
✅ Works for upgrades or direct replacements

💡 How does screw pitch affect feed rate and torque on CNC machines?
Quick answer: match pitch, load, and support style to your machine setup.
* Pitch controls feed speed and motor load
* End supports keep alignment stable under load
* Proper lubrication reduces heat and wear

Built to help maintain accuracy and smooth movement in working systems.