NB
SMSF13GUU 13mm Slide Bush Bushings Miniature Motion Linear Bearing
Title
Regular price
$79.99
Sale price$160.00you save $80.01
SKU: Kit20105
UPC: 00193019116128
UPC: 00193019116128
Item: SMSF13GUU Bearing
Type: Linear Miniature Slide Bush
Retainer Material: Resin
Quantity: One Bearing
Dynamic load rating Cr: 510 N
Type: Linear Miniature Slide Bush
Retainer Material: Resin
Quantity: One Bearing
Dynamic load rating Cr: 510 N
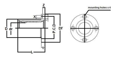
| SMSF13GUU Round Flange Anticorrosion Type:Miniature Slide Bush Made in Japan:NB Linear Systems Nippon Bearing Miniature Linear Systems |
SMSF13GUU Round Flange Anticorrosion Miniature Linear Slide Bush, Bearing is seals on both sides, The retainer material is resin, series mainly used in the USA, NB brand (Nippon Bearing Linear Systems), Made in Japan.
|
| Major Dimensions | ||||||||
|---|---|---|---|---|---|---|---|---|
| dr | D | L | Df | t | P.C.D | X x Y x Z | ||
| mm | tolerance | mm | tolerance | |||||
| 13 | 0-9 | 23 | 0-16 | 32 | 43 | 6 | 33 | 4.5 x 7.5 x 4.1 |
Share