NB

SMSF13G 13mm Slide Bush Bushings Miniature Motion Linear Bearing

Regular price $70.00 Sale price$140.00you save $70.00
SKU: Kit20079
UPC: 00193019115862
Item: SMSF13G Bearing
Type: Linear Miniature Slide Bush
Retainer Material: Resin
Quantity: One Bearing
Dynamic load rating Cr: 510 N
SMSF13G Round Flange Anticorrosion Type:Miniature Slide Bush
Made in Japan:NB Linear Systems
Nippon Bearing Miniature Linear Systems


SMSF13G Round Flange Anticorrosion Miniature Linear Slide Bush, The retainer material is resin, series mainly used in the USA, NB brand (Nippon Bearing Linear Systems), Made in Japan.
  • SMSF13G Bearing
  • Linear Miniature Slide Bush
  • Retainer Material: Resin
  • Quantity: 1 Bearing
  • Dynamic load rating Cr: 510 N
  • Static load rating Cor: 784 N


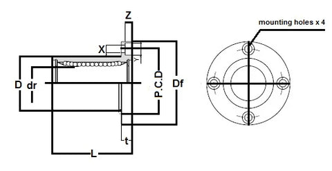
Major Dimensions
dr D L Df t P.C.D X x Y x Z
mm tolerance mm tolerance
13 0-9 23 0-16 32 43 6 33 4.5 x 7.5 x 4.1