NB
SMSF10G 10mm Slide Bush Bushings Miniature Motion Linear Bearing
Title
Regular price
$59.99
Sale price$100.00you save $40.01
SKU: Kit20077
UPC: 00193019115848
UPC: 00193019115848
Item: SMSF10G Bearing
Type: Linear Miniature Slide Bush
Retainer Material: Resin
Bearing Inner Diameter: 10mm
Quantity: One Bearing
Type: Linear Miniature Slide Bush
Retainer Material: Resin
Bearing Inner Diameter: 10mm
Quantity: One Bearing
| SMSF10G Round Flange Anticorrosion Type:Miniature Slide Bush Made in Japan:NB Linear Systems Nippon Bearing Miniature Linear Systems |
SMSF10G SMSF10G Round Flange Anticorrosion Miniature Linear Slide Bush, The retainer material is resin, series mainly used in the USA, NB brand (Nippon Bearing Linear Systems), Made in Japan.
|
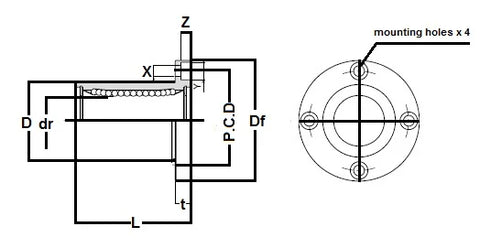
| Major Dimensions | ||||||||
|---|---|---|---|---|---|---|---|---|
| dr | D | L | Df | t | P.C.D | X x Y x Z | ||
| mm | tolerance | mm | tolerance | |||||
| 10 | 0-9 | 19 | 0-16 | 30 | 40 | 6 | 29 | 4.5 x 7.5 x 4.1 |
Share