NB

SMF60G 60mm Slide Bush Ball Bushings Linear Motion Bearing designed for smooth motion and stable alignment in automation and mechanical systems, 1-pack for long service life

Regular price $303.99 Sale price$465.00you save $161.01
SKU: Kit19911
UPC: 00193019115015
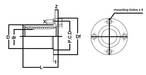
Item: SMF60G Bearing
Type: Linear Slide Bush
Retainer Material: Resin
Quantity: One Bearing
Dynamic load rating Cr: 4700 N

SMF60G 60mm Slide Bush Ball Bushings Linear Motion Bearing made for smooth installs and steady fit
✔️ SMF60G 60mm Slide Bush Ball Bushings Linear Motion Bearing

This 1 pack is designed for clean replacement and smooth mechanical operation.

✅ Pack size: 1
✅ Smooth motion for mechanical assemblies
✅ Stable fit to reduce play and vibration
✅ Made for repeated use in motion systems
✅ Works for upgrades or direct replacements

💡 How do you choose end supports to keep a ballscrew aligned under load?
Quick answer: match pitch, load, and support style to your machine setup.
* Pitch controls feed speed and motor load
* End supports keep alignment stable under load
* Proper lubrication reduces heat and wear

Built to help maintain accuracy and smooth movement in working systems.