NSC-25-15-M NBK Set Collar - Set Screw Type. - Made in Japan

Regular price $49.99 Sale price$100.00you save $50.01
SKU: NSC-25-15-M-NBK
Item: NSC-25-15-M
Set Collar
Quantity: One Collar
Made in Japan
5-7 days shipping
NSC-25-15-M NBK Set Collar - Set Screw Type. Made in Japan



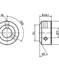
Characteristics:
  • Standard type set collar.
  • It is attached to the shaft by the set screws.
  • Chamfer on one side end face is larger (bore diameter 8 mm or above).
  • This avoids interference of the set collar with the external wheel when the bearing is fixed.
  • .


Part Number d B D D1 M *1 Quantity Per Pack
NSC-25-15-M-NBK 25mm 15mm 38mm 37mm M6 1