NBK

NSC-20-7-M NBK Set Collar - Set Screw Type. - Made in Japan

Regular price $39.99 Sale price$80.00you save $40.01
SKU: NSC-20-7-M-NBK
Item: NSC-20-7-M
Set Collar
Quantity: One Collar
Made in Japan
5-7 days shipping
NSC-20-7-M NBK Set Collar - Set Screw Type. Made in Japan



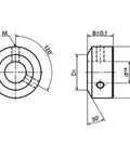
Characteristics:
  • Standard type set collar.
  • It is attached to the shaft by the set screws.
  • Chamfer on one side end face is larger (bore diameter 8 mm or above).
  • This avoids interference of the set collar with the external wheel when the bearing is fixed.
  • .


Part Number d B D D1 M *1 Quantity Per Pack
NSC-20-7-M-NBK 20mm 7mm 30mm - M5 1