NBK

NBK Japan PAF-3-L-P Mini Ball Plunger - Vibration Resistant

Regular price $24.99 Sale price$38.00you save $13.01
SKU: PAF-3-L-P-NBK
Item: PAF-3-L-P
Made in Japan
Material: Triiron Coating (black)
Quantity: One
5-7 days shipping
NBK Japan PAF-3-L-P
Light Load Miniature Ball Plunger
with Vibration Resistant Treatment


NBK Japan PAF-3-L-P Miniature Light Load Ball Plunger with vibration resistant treatment.

  • Body: Triiron Coating (black)
  • Stop Loosening: Nylon welding
  • Material: Steel
  • Simple Design
  • Made in Japan
  • Quantity: One


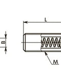
Part Number M (course) s L D B Applicable Ball Button Load (N)
Min./Max.
PAF-3L-P M3 0.5mm 6mm 1.5mm 1.5mm - 1/2 n