NBK

NBK Japan XGT2-27C-12-12 High gain rubber type Flexible Coupling

Regular price $199.99 Sale price$306.00you save $106.01
SKU: XGT2-27C-12-12-NBK




5-7 days shipping
NBK Japan MFBS-12 3mm to 6mm Bellows-type Flexible Coupling stainless
NBK Japan XGT2-27C-12-12
High Gain Rubber-type Flexible Coupling


NBK Japan XGT2-27C-12-12 High gain rubber type Flexible Coupling, this is a standard type flexible coupling. The rubber absorbs vibration.This is a single piece construction with the two aluminum hubs molded with vibration-absorbing rubber.

  • Recommended applicable motor:Servomotor
  • Zero Backlash
  • High torsional rigidity
  • High Torque
  • Constant Velocity
  • Simple Design
  • Made in Japan
  • Quantity: One


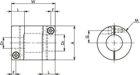
A L W F G M Wrench Torque(N-m)
27 9.5 32 3.25 10 M2.5 2.5