NBK

NBK Japan MJS-65CS-EBL 15mm to 25mm Jaw-type Flexible Coupling

Regular price $372.99 Sale price$571.00you save $198.01
SKU: MJS-65CS-EBL-15mm-25mm
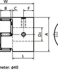
Coupling Bore 1 Diameter:15mm
Coupling Bore 2 Diameter:25mm
Coupling Length: 62
Coupling Outer Diameter:65
5-7 days shipping
NBK Japan MJS-65CS-EBL 15mm to 25mm Jaw-type Flexible Coupling
NBK Japan MJS-65CS-EBL 15mm to 25mm
Jaw-type Flexible Coupling


NBK Japan MJS-65CS-EBL 15mm to 25mm Jaw-type Flexible Coupling, this is a Jaw type flexible coupling. The bellows allows eccentricity, angularmisalignment, and end-play.

  • Coupling Bore 1 Diameter: 15mm
  • Coupling Bore 2 Diameter: 25mm
  • Coupling Length: 62
  • Coupling Outer Diameter:65
  • Material: Stainless
  • This is a jaw type flexible coupling.
  • Tight Fit enables transmission with zero backlash at low torque.
  • Tight fit allows you to assemble and partition the hub and sleeve smoothly.
  • Excellent flexibility allows eccentricityangular misalignment and twisting vibration to be accepted.
  • It has electrical insulation
  • Made in Japan
  • Coupling Insert Spider Color: Varies according to ex-stock
  • Quantity: One


A L W B C F M Wrench Torque(N-m)
65 21 62 15 2.5 31 M8/M6 28/13