NBK

NBK Japan MJS-55CS-EBL 16mm to 24mm Jaw-type Flexible Coupling

Regular price $281.99 Sale price$431.00you save $149.01
SKU: MJS-55CS-EBL-16mm-24mm
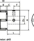
Coupling Bore 1 Diameter:16mm
Coupling Bore 2 Diameter:24mm
Coupling Length: 54
Coupling Outer Diameter:55
5-7 days shipping
NBK Japan MJS-55CS-EBL 16mm to 24mm Jaw-type Flexible Coupling
NBK Japan MJS-55CS-EBL 16mm to 24mm
Jaw-type Flexible Coupling


NBK Japan MJS-55CS-EBL 16mm to 24mm Jaw-type Flexible Coupling, this is a Jaw type flexible coupling. The bellows allows eccentricity, angularmisalignment, and end-play.

  • Coupling Bore 1 Diameter: 16mm
  • Coupling Bore 2 Diameter: 24mm
  • Coupling Length: 54
  • Coupling Outer Diameter:55
  • Material: Stainless
  • This is a jaw type flexible coupling.
  • Tight Fit enables transmission with zero backlash at low torque.
  • Tight fit allows you to assemble and partition the hub and sleeve smoothly.
  • Excellent flexibility allows eccentricityangular misalignment and twisting vibration to be accepted.
  • It has electrical insulation
  • Made in Japan
  • Coupling Insert Spider Color: Varies according to ex-stock
  • Quantity: One


A L W B C F M Wrench Torque(N-m)
55 18 54 14 2 27.5 M6/M5 13/8