NBK

NBK Japan MJC-80-RD 22mm to 38mm Jaw-type Flexible Coupling

Regular price $845.99 Sale price$1,294.00you save $448.01
SKU: MJC-80-RD-22mm-38mm
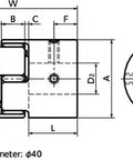
Coupling Bore 1 Diameter:22mm
Coupling Bore 2 Diameter:38mm
Coupling Length: 114
Coupling Outer Diameter:80
5-7 days shipping
NBK Japan MJC-80-RD 22mm to 38mm Jaw-type Flexible Coupling
NBK Japan MJC-80-RD 22mm to 38mm
Jaw-type Flexible Coupling


NBK Japan MJC-80-RD 22mm to 38mm Jaw-type Flexible Coupling, this is a Jaw type flexible coupling. The bellows allows eccentricity, angularmisalignment, and end-play.

  • Coupling Bore 1 Diameter: 22mm
  • Coupling Bore 2 Diameter: 38mm
  • Coupling Length: 114
  • Coupling Outer Diameter:80
  • Material: Stainless
  • This is a jaw type flexible coupling.
  • Tight Fit enables transmission with zero backlash at low torque.
  • Easy fit allows you to assemble and partition the hub and sleeve smoothly.
  • Excellent flexibility allows eccentricityangular misalignment and twisting vibration to be accepted.
  • It has electrical insulation
  • Made in Japan
  • Coupling Insert Spider Color: Varies according to ex-stock
  • Quantity: One


A L W B C F M Wrench Torque(N-m)
80 45 114 18 3 22.5 M8 15