NB
NB SMF10UU 10mm Slide Bush Ball Bushings Linear Motion Bearing
Title
Regular price
$59.99
Sale price$100.00you save $40.01
SKU: Kit19887
UPC: 00193019114780
UPC: 00193019114780
Item: SMF10UU Bearing
Type: Linear Miniature Slide Bush
Retainer Material: Steel
Quantity: One Bearing
Dynamic load rating Cr: 372 N
Type: Linear Miniature Slide Bush
Retainer Material: Steel
Quantity: One Bearing
Dynamic load rating Cr: 372 N
| SMF10UU Round Flange Type:Miniature Slide Bush Made in Japan:NB Linear Systems Nippon Bearing Miniature Linear Systems |
SMF10UU Round Miniature Linear Slide Bush, Bearing is seals on both sides, The retainer material is steel, series mainly used in the USA, NB brand (Nippon Bearing Linear Systems), Made in Japan.
|
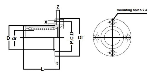
| Major Dimensions | ||||||||
|---|---|---|---|---|---|---|---|---|
| dr | D | L | Df | t | P.C.D | X x Y x Z | ||
| mm | tolerance | mm | tolerance | |||||
| 10 | 0-9 | 19 | 0-16 | 29 | 40 | 6 | 29 | 4.5 x 7.5 x 4.1 |
Share