NBK

20-Pack SVSQS-M8-30 NBK Cross Recessed Flat Head M8 length 30mm Vacuum Vented Screws - Made in Japan

Regular price $157.99 Sale price$242.00you save $84.01
SKU: SVSQS-M8-30-NBK
Item: SVSQS-M8-30
Quantity: 10 Screws
Brand NBK
Made in Japan
5-7 days shipping
Lot of 10 SVSQS-M8-30-NBK Cross Recessed Flat Head M8 length 30mm Screws
SVSQS-M8-30 NBK Hex Socket Head Cap Screws with Captive Washer and Ventilation Hole.
Pack of 20

NBK Hex Socket Head Cap Screws with Captive Washer and Ventilation Hole.



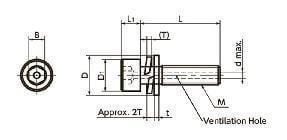
Part Number M L D1 D L1 B t T (Approx.) d (max.)
SVSQS-M3-5 M8 30MM 13MM 17MM 8MM 6MM 1.6MM 2 2
  • The ventilation hole easily releases gas trapped in the screw holes of equipment and machines, and supports vacuum drawing of vacuum devices.
  • Flat washers and spring washers are captive, therefore prevent separation from screws.
  • It is unnecessary to assemble washers. It simplifies work when wearing gloves in a clean room.
  • Application: Vacuum devices, vacuum chambers, FPD production equipment,semiconductor devices, and electron microscopes