Bearing Adapter Sleeve With Lock Nut And Washer For 80 Mm Shaft And 90 Mm Bore, Thread M85x2, Width About 58 Mm, Includes KM18 Lock Nut And MB18 Lock Washer, Suitable For Mounting Tapered Bore Systems In Industrial Machinery
UPC: 00193019347492
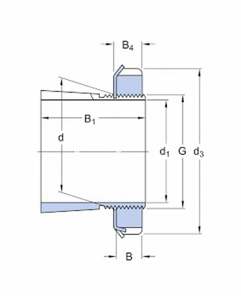
H2318 Bearing Adapter Sleeve with Lock Nut and Washer
✔️ Ø80mm shaft; Ø90mm bore; M85×2 thread; KM18/MB18
This H2318 bearing adapter sleeve with lock nut and washer is a mounting accessory used to attach tapered bore bearings such as 1218K, 2218K, or 1318K to cylindrical shafts. It’s commonly installed in plummer block housings like SNL518 to ensure proper alignment and secure clamping.
✅ Supports mounting tapered bore bearings (e.g., 1218K, 2218K, 1318K) on cylindrical shafts.
✅ Includes lock nut KM18 and lock washer MB18 for secure locking.
✅ Thread size M85×2 with bore Ø90mm, fits shaft Ø80mm via sleeve.
✅ Fits standard plummer block housings such as SNL518 for easy integration.
💡 What is a bearing adapter sleeve used for in tapered bore bearing mounting? A handy accessory that simplifies securing tapered bore bearings on cylindrical shafts. - Aligns bearing to shaft - Locks with included lock nut and washer - Enables easy replacement and precise preload - Works with standard housings like SNL518