Bearing Adapter Sleeve With Lock Nut And Washer For Mounting Bearings With Tapered Bore Onto 20 Mm Shaft, 25 Mm Bore, M20x1 Thread, Includes KM05 Lock Nut And MB05 Lock Washer For Secure Quick Assembly

Regular price $19.99 Sale price$40.00you save $20.01
SKU: H2305-Adapter-Sleeve
UPC: 00193019347157





Adapter Sleeve with Lock Nut & Washer for H2305 bearings
✔️ 20 mm shaft, 25 mm bore, M20x1 thread, KM05, MB05, pack 1

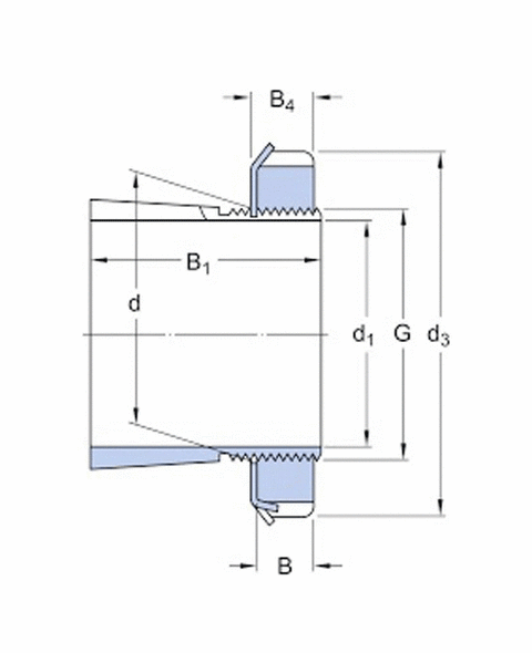
Designed to mount bearings with a tapered bore onto a cylindrical shaft, this adapter sleeve comes with a lock nut and washer for secure axial retention. It's commonly used in plummer block housings and bearing units where easy maintenance and reliable alignment matter.

✅ Designation: H2305
✅ Type: Adapter Sleeve with Lock Nut & Washer
✅ Suitable shaft diameter (d): 20 mm
✅ Bore (d1): 25 mm
✅ Thread: M20x1
✅ Width (B1): ~24 mm
✅ Lock Nut: KM05
✅ Lock Washer: MB05
✅ Application: Used for mounting bearings with tapered bore onto cylindrical shaft in plummer block housings or bearing units

💡 What is an adapter sleeve with lock nut and washer used for in bearing assemblies?

It's a handy mounting accessory that lets you fit tapered bore bearings onto a cylindrical shaft with a secure, axial hold.

  • Adapts tapered bore bearings to cylindrical shafts for secure, aligned mounting
  • Includes lock nut KM05 and washer MB05 for axial retention under load
  • Matches M20x1 thread and 25 mm bore to common components
  • Reduces setup time in plummer block housings and bearing units