VXB
GER208-40mm Insert GRIP-IT 360 Degree 40mm Bearing
Title
Regular price
$227.99
Sale price$349.00you save $121.01
SKU: Kit19340
UPC: 00193019271070
UPC: 00193019271070
Item: GER208-40mm Bearing
Type: Bearing Insert
Shaft Diameter: 40mm
Dynamic Load Rating: 32650 N
Static Load Rating: 16236 N
Type: Bearing Insert
Shaft Diameter: 40mm
Dynamic Load Rating: 32650 N
Static Load Rating: 16236 N
| This item will be shipped within One Week Returns Subject to 15% restocking Fee |
| GER208-40mm Bearing Insert GRIP-IT 360 Degree Locking Set Screw Locking 40mm Inner Diameter |
|
GER208-40mm Bearing Insert GRIP-IT 360 Degree Locking, bearing is standard load capacity, bearing is Wide inner ring with Cylindrical outer ring and snap ring, bearing has relubrication groove with oil hole on side opposite of locking callar, bearing is black oxide plated inner and outer rings, bearing is nylon patched class 3A set screw, Standard seal is R-seal.
|
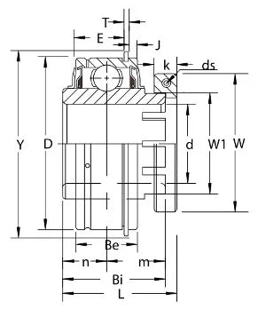
| Dimensions (mm) | |||||||||||||
|---|---|---|---|---|---|---|---|---|---|---|---|---|---|
| D | Bi | Be | L | n | m | E | W1 | J | T | Y | K | W | ds (UNF-Thread) |
| 80 | 49.2 | 27.8 | 53.7 | 19 | 30.2 | 22.6 | 52.5 | 3.28 | 1.9 | 86.6 | 11 | 68.4 | 10-24x3/4 |
Share