VXB
GER207-22 Bearing Insert GRIP-IT 360 Degree 1 3/8
Title
Regular price
$187.99
Sale price$288.00you save $100.01
SKU: Kit19319
UPC: 00193019270868
UPC: 00193019270868
Item: GER207-22 Bearing
Type: Bearing Insert
Shaft Diameter: 1 3/8" Inch
Dynamic Load Rating: 19440 N
Static Load Rating: 10320 N
Type: Bearing Insert
Shaft Diameter: 1 3/8" Inch
Dynamic Load Rating: 19440 N
Static Load Rating: 10320 N
| This item will be shipped within One Week Returns Subject to 15% restocking Fee |
|
GER207-22 Bearing Insert GRIP-IT 360 Degree Locking Set Screw Locking 1 3/8" Inch Inner Diameter |
GER207-22 Bearing Insert GRIP-IT 360 Degree Locking, bearing is standard load capacity, bearing is Wide inner ring with Cylindrical outer ring and snap ring, bearing has relubrication groove with oil hole on side opposite of locking callar, bearing is black oxide plated inner and outer rings, bearing is nylon patched class 3A set screw, Standard seal is R-seal.
|
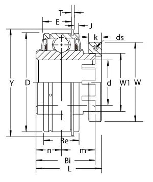
| Dimensions (Inches) | |||||||||||||
|---|---|---|---|---|---|---|---|---|---|---|---|---|---|
| D | Bi | Be | L | n | m | E | W1 | J | T | Y | K | W | ds (UNF-Thread) |
| 2-53/64" | 1-11/16" | 15/16" | 1-7/8" | 11/16" | 1" | 47/64" | 1-27/32" | 1/8" | 5/64" | 3-3/32" | 7/16" | 2-37/64" | 10-24x3/4 |
Share