VXB

FHPWC205-25mm Pillow Block Cast Iron 25mm Bearing

Regular price $65.00 Sale price$130.00you save $65.00
SKU: Kit16111
UPC: 00193019225684
Item: FHPWC205-25mm Bearing
Type: Pillow Block Cast Iron Light Duty
Shaft Diameter: 25mm
Bolt Size: 1/2" inch
Bearing No: FH205-16
This item will be shipped within One Week
Returns Subject to 15% restocking Fee


FHPWC205-25mm Pillow Block Cast Iron Light Duty Ball Bearing
Eccentric Locking Collar
25mm Inner Diameter


FHPWC205-25mm Pillow Block Cast Iron Light Duty Ball Bearing, bearing is eccentric locking collar, Bearing is solid foot housing design, bearing has Narrow inner ring, bearing is Non-relubricatable unit, Standard seal is RST tight riding, full cover, metal shroud seals.

  • FHPWC205-25mm Bearing
  • Pillow Block Cast Iron Light Duty
  • Shaft Diameter: 25mm
  • Bolt Size: 1/2" inch
  • Bearing No: FH205-16
  • Housing No: PWC-205-HA
  • Quantity: 1 Bearing
  • Ball Bearing


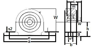
Dimensions (mm)
h a e b s1 s2 g w L n m i W
36.51 130.2 100 29.4 11.1 15.9 12.7 70.6 31 7.5 14 9.5 38.1