VXB

UCPH206 Lager 30mm Pillow Block Mounted Bearing

Regulärer Preis $39.99 Verkaufspreis$61.00Sie sparen $21.01
SKU: UCPH206
UPC: 00193019333365
Item: UCPH206 Bearing
Type: high centerheight pillow unit
Bolt Size: M14
Basic Load (Cr): 19.5 KN
Basic Load (Cor): 11.3 KN
UCPH206 Lager
Pillow Block Lager
Zylindrische Bohrung (mit Stellschrauben)
30mm Inner Diameter Lager




Diese Einheit ist eine Kisseneinheit mit hoher Mittenhöhe, die eine große Widerstandsfähigkeit gegen Stoßbelastungen aufweist. Es eignet sich für Maschinen, bei denen eine größere Höhe von der Basis bis zur Mitte erforderlich ist, z. B. für Druckmaschinen und Spinndüsen.

  • UCPH206-Lager
  • hohe Mittelhöhe der Kisseneinheit
  • Size: Schraube Size: M14
  • GrundlastCr): 19,5 KN
  • GrundlastCor): 11,3 KN
  • No: UC206
  • Quantity: Ein Lager
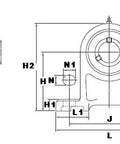
Dimensions mm)
d H L A J N N1 H1 H2 L1 B S
30 90 165 50 121 17 21 18 130 56 38.1 15.9