UCPH202-10 Lager 5/8" Pillow Block Mounted Lager

Regulärer Preis $29.99 Verkaufspreis$60.00Sie sparen $30.01
SKU: UCPH202-10
UPC: 00193019333280
Item: UCPH202-10 Bearing
Type: high centerheight pillow unit
Bolt Size: 3/8
Basic Load (Cr): 12.8 KN
Basic Load (Cor): 6.65 KN
UCPH202-10 Lager
Pillow Block Lager
Zylindrische Bohrung (mit Stellschrauben)
5/8" Inner Diameter Lager


Diese Einheit ist eine Kisseneinheit mit hoher Mittenhöhe, die eine große Widerstandsfähigkeit gegen Stoßbelastungen aufweist. Es eignet sich für Maschinen, bei denen eine größere Höhe von der Basis bis zur Mitte erforderlich ist, z. B. für Druckmaschinen und Spinndüsen.

  • UCPH202-10
  • hohe Mittelhöhe der Kisseneinheit
  • Size: 3/8"
  • GrundlastCr): 12,8 KN
  • GrundlastCor): 6,65 KN
  • No: UC202-10
  • Quantity: Ein Lager


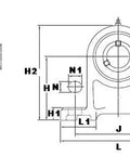
Dimensions Inches)
d H L A J N N1 H1 H2 L1 B S
5/8" 2-3/4" 5" 1-9/16" 3-3/4" 1/2" 3/4" 19/32" 3-21/32" 1-13/16" 1.22" 0.5"


OldFormat