UCFA207 Flansch-Patronenlagereinheit 35mm Anbaulager

Regulärer Preis $39.99 Verkaufspreis$61.00Sie sparen $21.01
SKU: Kit13764
UPC: 00193019213292
Item: UCFA207 Bearing
Type: Adjustable Flange Cartridge Unit
Basic Dynamic Load (Cr): 25,700 N
Basic Static Load (Cor): 15,400 N
Bolt Size: 1/2" Inch
UCFA207 Verstellbare Flanschpatroneneinheit
35mm Inner Diameter


UCFA207 Einstellbare Flanschpatrone, der inner Diameter beträgt 35mm.

  • UCFA207-Lager
  • Verstellbarer Flansch Patroneneinheit
  • Dynamische GrundlastCr): 25,700 N
  • Statische GrundlastCor): 15,400 N
  • Size: 1/2" Inch
  • No: UC207
  • Gehäuse No: FA207
  • Quantity: 1 Lager


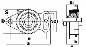
Dimensions mm)
a e i g S S1 S2 b f z Bi n
161.1 130.2 19.05 15.9 13.9 15.08 65.9 90.1 82.15 44.45 42.9 17.5



OldFormat