NB
SMSF25 25mm Slide Bush Bushings Motion Linear Bearing
Titel
Regulärer Preis
$182.99
Verkaufspreis$280.00Sie sparen $97.01
SKU: Kit20069
UPC: 00193019115763
UPC: 00193019115763
Item: SMSF25 Bearing
Type: Linear Slide Bush
Retainer Material: Steel
Quantity: One Bearing
Dynamic load rating Cr: 980 N
Type: Linear Slide Bush
Retainer Material: Steel
Quantity: One Bearing
Dynamic load rating Cr: 980 N
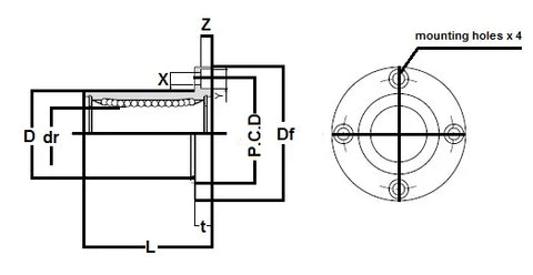
| SMSF25 Runde korrosionsgeschützte Gleitbuchse Flange Type Made in JapanNB Linear Systems NipponNippon Bearing Linear Systems |
SMSF25 Runde korrosionsbeständige Linear Slide , Das retainer material ist Stahl, die series wird hauptsächlich in den USA verwendet, Marke NBNippon Bearing Linear Systems), Made in Japan.
|
| Major Dimensions | ||||||||
|---|---|---|---|---|---|---|---|---|
| dr | D | L | Df | t | P.CD | X x x | ||
| mm | tolerance | mm | tolerance | |||||
| 25 | 0-10 | 40 | 0-19 | 59 | 62 | 8 | 51 | 5,5 x x ,1 |
Teilen Sie