NB
SMSF16 16mm Gleitbuchse Buchsen Miniaturbewegung Linearlager
Titel
Regulärer Preis
$99.99
Verkaufspreis$200.00Sie sparen $100.01
SKU: Kit20067
UPC: 00193019115749
UPC: 00193019115749
Item: SMSF16 Bearing
Type: Linear Miniature Slide Bush
Bearing Inner Diameter: 16mm
Retainer Material: Steel
Quantity: One Bearing
Type: Linear Miniature Slide Bush
Bearing Inner Diameter: 16mm
Retainer Material: Steel
Quantity: One Bearing
| SMSF16 Rundflansch Korrosionsschutz Typ:Miniatur-Gleitbuchse Made in JapanNB Linear Systems NipponNippon Bearing Miniature Linear Systems |
SMSF16 Round Flange Anticorrosion Miniature Linear Slide Bush, Das retainer material ist Stahl, die series wird hauptsächlich in den USA verwendet, Marke NBNippon Bearing Linear Systems), Made in Japan.
|
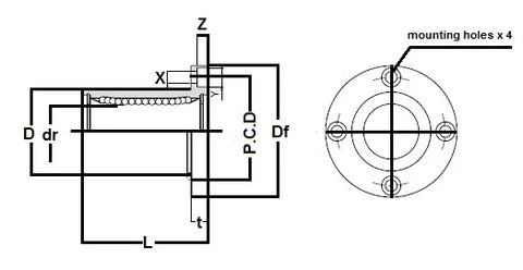
| Major Dimensions | ||||||||
|---|---|---|---|---|---|---|---|---|
| dr | D | L | Df | t | P.CD | X x x | ||
| mm | tolerance | mm | tolerance | |||||
| 16 | 0-9 | 28 | 0-16 | 37 | 48 | 6 | 38 | 4,5 x ,5 x ,1 |
Teilen Sie