NB
SMF8GUU 8mm Gleitbuchse Kugelbuchsen Linear Miniatur Bewegungslager
Titel
Regulärer Preis
$39.99
Verkaufspreis$80.00Sie sparen $40.01
SKU: Kit19913
UPC: 00193019115039
UPC: 00193019115039
Item: SMF8GUU Bearing
Type: Linear Miniature Slide Bush
Retainer Material: resin
Quantity: One Bearing
Dynamic load rating Cr: 274 N
Type: Linear Miniature Slide Bush
Retainer Material: resin
Quantity: One Bearing
Dynamic load rating Cr: 274 N
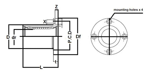
| SMF8GUU Flange Type:Miniatur-Gleitbuchse Made in JapanNB Linear Systems NipponNippon Bearing Miniature Linear Systems |
SMF8GUU Round Miniature Linear Slide Bush, Das retainer material ist Harz, das Lager ist auf beiden Seiten seals , series wird hauptsächlich in den USA verwendet, Marke NBNippon Bearing Linear Systems), Made in Japan.
|
| Major Dimensions | ||||||||
|---|---|---|---|---|---|---|---|---|
| dr | D | L | Df | t | P.CD | X x x | ||
| mm | tolerance | mm | tolerance | |||||
| 8 | 0-9 | 15 | 0-13 | 24 | 32 | 5 | 24 | 3,5 x x ,1 |
Teilen Sie