NB
SMF6G 6mm Gleitbuchse Kugelbuchsen Miniatur Linear Motion Bearing
Titel
Regulärer Preis
$29.99
Verkaufspreis$46.00Sie sparen $16.01
SKU: Kit19899
UPC: 00193019114896
UPC: 00193019114896
Item: SMF6G Bearing
Type: Linear Miniature Slide Bush
Retainer Material: Resin
Quantity: One Bearing
Dynamic load rating Cr: 206 N
Type: Linear Miniature Slide Bush
Retainer Material: Resin
Quantity: One Bearing
Dynamic load rating Cr: 206 N
| SMF6G Flange Type:Miniatur-Gleitbuchse Made in JapanNB Linear Systems NipponNippon Bearing Miniature Linear Systems |
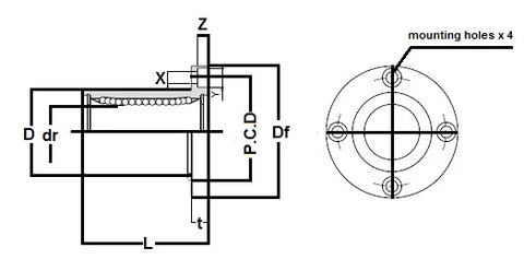
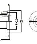
SMF6G Round Miniature Linear Slide Bush, Das retainer material ist Harz, die series wird hauptsächlich in den USA verwendet, Marke NBNippon Bearing Linear Systems), Made in Japan.
|
| Major Dimensions | ||||||||
|---|---|---|---|---|---|---|---|---|
| dr | D | L | Df | t | P.CD | X x x | ||
| mm | tolerance | mm | tolerance | |||||
| 6 | 0-9 | 12 | 0-13 | 19 | 28 | 5 | 20 | 3,5 x x ,1 |
Teilen Sie