NB
SMF20G 20mm Gleitbuchse Kugelbuchsen Miniatur Linear Motion Bearing
Titel
Regulärer Preis
$59.99
Verkaufspreis$100.00Sie sparen $40.01
SKU: Kit19905
UPC: 00193019114957
UPC: 00193019114957
Item: SMF20G Bearing
Type: Linear Miniature Slide Bush
Retainer Material: Resin
Quantity: One Bearing
Dynamic load rating Cr: 882 N
Type: Linear Miniature Slide Bush
Retainer Material: Resin
Quantity: One Bearing
Dynamic load rating Cr: 882 N
| SMF20G Flange Type:Miniatur-Gleitbuchse Made in JapanNB Linear Systems NipponNippon Bearing Miniature Linear Systems |
SMF20G Round Miniature Linear Slide Bush, Das retainer material ist Harz, die series wird hauptsächlich in den USA verwendet, Marke NBNippon Bearing Linear Systems), Made in Japan.
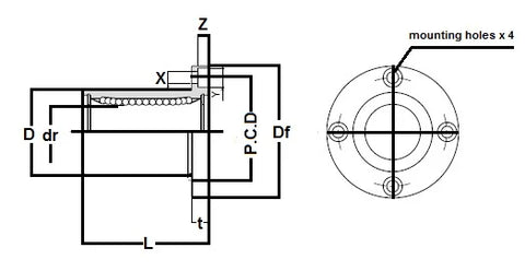
|
| Major Dimensions | ||||||||
|---|---|---|---|---|---|---|---|---|
| dr | D | L | Df | t | P.CD | X x x | ||
| mm | tolerance | mm | tolerance | |||||
| 20 | 0-10 | 32 | 0-19 | 42 | 54 | 8 | 43 | 5,5 x x ,1 |
Teilen Sie