HC212-39 Bearing Insert with Eccentric Locking Collar for a 2 3/8 inch inner diameter offers secure mounting, wide inner ring, spherical outer ring for smooth rotation, relubrication groove and oil hole for easy maintenance and reliable performance
UPC: 00193019268452
Type: Bearing Insert with eccentric collar
Shaft Diameter: 2 7/16" Inch
Dynamic Load Rating: 52400 N
Static Load Rating: 32249 N
✔️ Bore 2 7/16 in, OD 4-21/64 in, wide inner, R-Seal
The bearing insert with eccentric locking collar provides a mounted unit designed to fit standard shaft sizes and provide reliable radial support in conveyors, gearboxes, and industrial machinery. It features a wide inner ring and spherical outer ring for stable load handling, plus a relubrication groove and oil hole for maintenance. The standard seal, R-Seal, protects against contaminants while retaining lubricant.
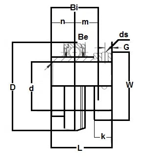
| Dimension | Size (in) | Größemm) |
|---|---|---|
| Bohrungd) | 2-27/64" | 61.6 |
| Outer diameter (D) | 4-21/64" | 110.0 |
| Width (L) | 3-1/16" | 81.0 |
| Set screw thread | 7/16-20 UNF | 7/16-20 UNF |
✅ Shaft bore: 2 7/16 in (61.6 mm)
✅ Outer diameter: 4-21/64 in (110.0 mm)
✅ Width: 3-1/16 in (81.0 mm)
✅ Dynamic load rating: 52,400 N
✅ Static load rating: 32,249 N
✅ R-Seal standard; relubrication groove with oil hole
✅ Quantity: 1 bearing
💡 What is a bearing insert with an eccentric collar used for in mounted bearing systems? This handy guide explains its purpose and common use cases. - Easy installation on various shaft sizes - Quick lock and preload control with eccentric collar - Provides a secure, maintenance-friendly mounting