VXB
45mm Einsatz GRIP-IT 360 Grad 45mm Lager
Titel
Regulärer Preis
$256.99
Verkaufspreis$393.00Sie sparen $136.01
SKU: Kit19341
UPC: 00193019271087
UPC: 00193019271087
Item: GER209-45mm Bearing
Type: Bearing Insert
Shaft Diameter: 45mm
Dynamic Load Rating: 32694 N
Static Load Rating: 18460 N
Type: Bearing Insert
Shaft Diameter: 45mm
Dynamic Load Rating: 32694 N
Static Load Rating: 18460 N
| Dieser Artikel wird innerhalb einer Woche versandt Rücksendungen unterliegen einer Wiedereinlagerungsgebühr von 15%. |
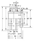
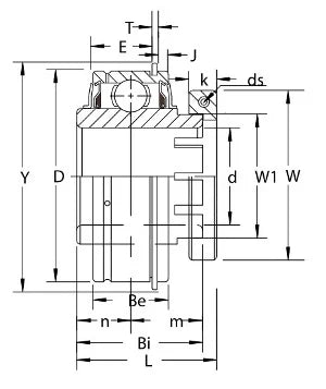
| 45mm Lagereinsatz GRIP-IT 360 Grad Arretierung Stellschraube Arretierung 45mm Inner Diameter |
|
45mm Lagereinsatz GRIP-IT 360 Grad Verriegelung, Lager ist Standardbelastbarkeit, Lager ist breiter Innenring mit zylindrischem Außenring und Sprengring, Lager hat Nachschmierrille mit Ölloch auf der Seite gegenüber der Verriegelung Kallar, Lager ist schwarz Oxid beschichtet Innen- und Außenringe, Lager ist Nylon gepatcht Klasse 3A Stellschraube, Standard-Dichtung ist R-Dichtung.
|
| Dimensions mm) | |||||||||||||
|---|---|---|---|---|---|---|---|---|---|---|---|---|---|
| D | Bi | Be | L | n | m | E | W1 | J | T | Y | K | W | ds (UNF-GewindeThread) |
| 85 | 49.2 | 27.8 | 53.9 | 19 | 30.2 | 22.6 | 57.3 | 3.28 | 1.9 | 91.6 | 11.5 | 75.5 | 10-24x3/4 |
Teilen Sie