VXB
GER205-16 Lagereinsatz GRIP-IT 360 Grad 1
Titel
Regulärer Preis
$108.00
Verkaufspreis$220.00Sie sparen $112.00
SKU: Kit19312
UPC: 00193019270790
UPC: 00193019270790
Item: GER205-16 Bearing
Type: Bearing Insert
Shaft Diameter: 1" Inch
Dynamic Load Rating: 14011 N
Static Load Rating: 7162 N
Type: Bearing Insert
Shaft Diameter: 1" Inch
Dynamic Load Rating: 14011 N
Static Load Rating: 7162 N
| Dieser Artikel wird innerhalb einer Woche versandt Rücksendungen unterliegen einer Wiedereinlagerungsgebühr von 15%. |
|
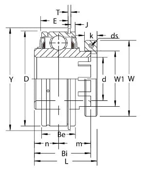
GER205-16 Lagereinsatz GRIP-IT 360-Grad-Verriegelung Stellschraubenverriegelung 1" Inch Inner Diameter |
GER205-16 Lagereinsatz GRIP-IT 360 Grad Verriegelung, Lager ist Standardbelastbarkeit, Lager ist breiter Innenring mit zylindrischem Außenring und Sprengring, Lager hat Nachschmiernut mit Ölloch auf der Seite gegenüber der Verriegelung Kallar, Lager ist schwarz Oxid beschichtet Innen- und Außenringe, Lager ist Nylon gepatcht Klasse 3A Stellschraube, Standard-Dichtung ist R-Dichtung.
|
| Dimensions Inches) | |||||||||||||
|---|---|---|---|---|---|---|---|---|---|---|---|---|---|
| D | Bi | Be | L | n | m | E | W1 | J | T | Y | K | W | ds (UNF-GewindeThread) |
| 2-3/64" | 1-7/32" | 3/4" | 1-1/2" | 9/16" | 51/64" | 39/64" | 1-21/64" | 7/64" | 3/64" | 2-9/32" | 3/8" | 1-15/16" | 8-32x5/8 |
Teilen Sie