VXB
FHSPPZ205-16-IL Pillow Block Pressed Steel 1" inch Bearing
Titel
Regulärer Preis
$49.99
Verkaufspreis$100.00Sie sparen $50.01
SKU: Kit18398
UPC: 00193019262665
UPC: 00193019262665
Item: FHSPPZ205-16-IL Bearing
Type: Pillow Block Pressed Steel Ball Bearing
Shaft Diameter: 1" Inch
Bolt Size: 3/8" Inch
Bearing No: FHS205-16
Type: Pillow Block Pressed Steel Ball Bearing
Shaft Diameter: 1" Inch
Bolt Size: 3/8" Inch
Bearing No: FHS205-16
| Dieser Artikel wird innerhalb einer Woche versandt Rücksendungen unterliegen einer Wiedereinlagerungsgebühr von 15%. |
|
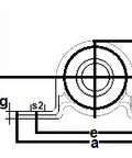
FHSPPZ205-16-IL Pillow Block Pressed Steel Ball Bearing Set Screw Locking 1" Inch Inner Diameter |
FHSPPZ205-16-IL Pillow Block Pressed Steel Ball Bearing, bearing is light duty, self-aligning pressed steel housings, housing unit is available with inter-locking feature(IL suffix), bearing is narrow inner ring, Standard seal is RST tight riding, full cover, metal shroud seals.
|
| Dimensions Inches) | ||||||||||||
|---|---|---|---|---|---|---|---|---|---|---|---|---|
| h | a | e | b | s1 | s2 | g | w | Bi | n | |||
| 1" | 4-1/8" | 3" | 1" | 13/32" | 1/2" | 0.15" | 2-1/16" | 63/64" | 0.256" | |||
Teilen Sie