VXB
FHSPPZ203-11-IL Pillow Block Pressed Steel 11/16" inch Bearing
Titel
Regulärer Preis
$88.88
Verkaufspreis$200.00Sie sparen $111.12
SKU: Kit18392
UPC: 00193019262603
UPC: 00193019262603
Item: FHSPPZ203-11-IL Bearing
Type: Pillow Block Pressed Steel Ball Bearing
Shaft Diameter: 11/16" Inch
Bolt Size: 5/16" Inch
Bearing No: FHS203-11
Type: Pillow Block Pressed Steel Ball Bearing
Shaft Diameter: 11/16" Inch
Bolt Size: 5/16" Inch
Bearing No: FHS203-11
| Dieser Artikel wird innerhalb einer Woche versandt Rücksendungen unterliegen einer Wiedereinlagerungsgebühr von 15%. |
|
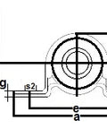
FHSPPZ203-11-IL Pillow Block Pressed Steel Ball Bearing Set Screw Locking 11/16" Inch Inner Diameter |
FHSPPZ203-11-IL Pillow Block Pressed Steel Ball Bearing, bearing is light duty, self-aligning pressed steel housings, housing unit is available with inter-locking feature(IL suffix), bearing is narrow inner ring, Standard seal is RST tight riding, full cover, metal shroud seals.
|
| Dimensions Inches) | ||||||||||||
|---|---|---|---|---|---|---|---|---|---|---|---|---|
| h | a | e | b | s1 | s2 | g | w | Bi | n | |||
| 7/8" | 3-9/16" | 2-5/8" | 1" | 11/32" | 1/2" | 0.15" | 1-13/16" | 57/64" | 0.256" | |||
Teilen Sie