VXB
FHPW205-15 Pillow Block Gusseisen 15/16" inch
Titel
Regulärer Preis
$88.88
Verkaufspreis$200.00Sie sparen $111.12
SKU: Kit18323
UPC: 00193019262023
UPC: 00193019262023
Item: FHPW205-15 Bearing
Type: Pillow Block Cast Iron Light Duty
Shaft Diameter: 7/8" Inch
Bolt Size: 3/8" inch
Bearing No: FH205-15
Type: Pillow Block Cast Iron Light Duty
Shaft Diameter: 7/8" Inch
Bolt Size: 3/8" inch
Bearing No: FH205-15
| Dieser Artikel wird innerhalb einer Woche versandt Rücksendungen unterliegen einer Wiedereinlagerungsgebühr von 15%. |
|
FHPW205-15 Pillow Block Ductile Light Duty Kugellager Exzentrischer Verschlusskragen 7/8" Inch Inner Diameter |
FHPW205-15 Pillow Block Ductile Light Duty Ball Bearing, Lager ist solide Fuß Gehäuse Design, Lager hat Narrow Innenring, Lager ist nachschmierbar Einheit, Standard-Dichtung ist RST dicht reitet, volle Abdeckung, seals Shroud.
|
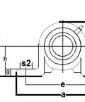
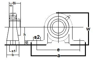
| Dimensions Inches) | ||||||||||||
|---|---|---|---|---|---|---|---|---|---|---|---|---|
| h | a | e | b | s1 | s2 | g | w | L | n | m | i | W |
| 1-7/16" | 5" | 3-15/16" | 1-1/8" | 7/16" | 5/8" | 13/32" | 2-11/16" | 1-7/32" | 19/64" | 35/64" | 3/8" | 1-1/4" |
Teilen Sie