VXB

50mm Pillow Block Standard-Wellenhöhe 50mm Lager

Regulärer Preis $163.99 Verkaufspreis$251.00Sie sparen $87.01
SKU: Kit15729
UPC: 00193019223468
Item: FHP210-50mm Bearing
Type: Pillow Block Standard Shaft Height
Shaft Diameter: 50mm
Bolt Size: 5/8" inch
Bearing No: FH210-50mm
Dieser Artikel wird innerhalb einer Woche versandt
Rücksendungen unterliegen einer Wiedereinlagerungsgebühr von 15%.


50mm Pillow Block Standard-Wellenhöhe Kugellager
Exzentrische Spannhülse
50mm Inner Diameter


50mm Pillow Block Standard Wellenhöhe Kugellager, Lager ist solide Fuß Gehäuse Design, Lager hat Narrow Innenring, Lager ist nicht-schmierbare Einheit, Standard-Dichtung ist RST dicht reitet, volle Abdeckung, seals Shroud.

  • 50mm
  • Stehlager Standard-Wellenhöhe
  • Diameter: 50mm
  • Size: Schraube Size: 5/8" inch
  • No: 50mm
  • Gehäuse No: P-210-HT
  • Quantity: 1 Lager
  • Kugellager


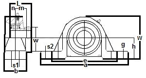
Dimensions mm)
h a e b s1 s2 g w L n m W
57.15 206.4 158.8 55.6 19.8 22.2 19.1 115.9 43.7 11 19.18 69.9