VXB
308 lbs Heavy Duty 36mm Drop-in Ball Transfer Unit - Bearbeiteter Stahl
UPC: 00193019012703
Type: Ball Transfer unit
Ball Material: Chrome Plated
Load Capacity: 308 lbs
Breaking Load: 352 lbs
308 lbs Heavy Duty Ball Transfer Unit - Bearbeiteter Stahl
✔️ 36mm Drop-In Style - Verchromt - Eine Einheit
Diese hochbelastbare Kugeltransfereinheit ist aus massivem, maschinell bearbeitetem Stahl gefertigt und kann Lasten von bis zu 308 Pfund mühelos bewegen. Das Gerät ist ideal für Fördersysteme, Montagelinien oder Materialtransporttische und verfügt über eine verchromte Kugel und Stützschale für eine reibungslose, langlebige Leistung.
✅ Tragfähigkeit: 308 lbs
✅ Bruchlast: 352 lbs
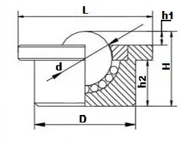
✅ diameter: Hauptkugel diameter: 22225mm (0.875")
✅ GehäusedurchmesserD): 36mm (1.42")
✅ Gesamthöhe (H): 31mm (1.22")
✅ Flanschdickeh1): 4mm (0.157")
✅ Aussparungstiefe (h2): 212mm (0.087")
✅ Gesamtlänge (L): 45mm (1.77")
✅ Material: Massiver, maschinell bearbeiteter Stahl mit verchromter Kugel und Abdeckung
✅ Kugelträgerpfanne ist gehärtet und beschichtet für längere Haltbarkeit
✅ Quantity: 1 Stück
✅ Gewicht: 0.08 lb
💡 Wofür werden Kugelrollen eingesetzt?
Kugelrollen eignen sich ideal für Materialtransportanwendungen, die eine einfache, multidirektionale Bewegung von Gegenständen erfordern, wie z. B. auf Schiebebühnen, Förderbändern oder Verpackungslinien. Sie verringern die Reibung und verbessern die Beweglichkeit der Last bei minimalem Kraftaufwand.
Eine starke, kompakte Transferlösung, die für reibungsloses Rollen unter Druck entwickelt wurde.
Kundenrezensionen
Das Produkt ist großartig, aber der Kundendienst schlecht. Wir haben nur zwei der drei gekauften Geräte erhalten und wiederholte Anfragen über das E-Mail-System haben zu keiner Antwort geführt, geschweige denn zu einer Lösung.
Ich habe meine Bestellung nie erhalten
tolles Produkt, schneller Versand, werde auf jeden Fall in naher Zukunft mehr bestellen.
Tolles Produkt für meinen Stand.
Ich habe die Lager verwendet, indem ich ein Loch in die Unterseite der 4 Beine der Werkbank gebohrt und dann die Lager in jedes Loch eingesetzt habe. Die Werkbank kann nun von Hand an jeden gewünschten Ort in der Garage bewegt werden. Eine Person kann sie leicht bewegen, ohne etwas aus der Bank herauszunehmen.