NBK

SPS-M3-6-LC NBK Plastic screw - Hex Socket Low Head Bolt - PPS 10-Pack Screws - Made in Japan

Regular price $39.99 Sale price$80.00you save $40.01
SKU: SPS-M3-6-LC-NBK
Item : SPS-M3-6-LC
Plastic screw - Hex Socket Low Head Bolt - PPS (Polyphenylene Sulfide)
Quantity : Pack of 10 Screws
NBK - Made in Japan
5-7 days shipping
SPS-M3-6-LC NBK Plastic screw - Hex Socket Low Head Bolt - PPS
Main Body PPS (Poly Phenylene Sulfide) ( Glass Fiber 40‹¬?)
(Bright Light Brown)
Heat Resistance Temperature 200ƒ?Ÿ
Pack of 10 Screws
NBK - Made in Japan

Characteristics:
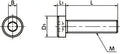
  • Hex socket head cap screw with low head.
  • For space-saving of equipment/device and applications with a limited top space
  • PPS is excellent in heat resistance and chemical resistance and continuously used at 200?√∏C. No fat or organic solvent cannot dissolve PPS at 200∆í?≈∏ or below
  • High strength, high rigidity and high temperature strength is retained
  • It is highly frame-resistant satisfying V-0 of the UL standard 94
  • Plastic screw properties and precautions for use




Part Number M L D1 L1 B Tension Rupture Load (N)

Torsional Torque (N.m)
SPS-M3-6-LC-NBK M3 6mm 5.5mm 2mm 2mm 492 N 0.25 N.m