NB
SMF16G 16mm Slide Bush Boccole a sfera Cuscinetto Linear Motion in miniatura
Titolo
Prezzo normale
$49.99
Prezzo di vendita$100.00risparmiate $50,01
SKU: Kit19904
UPC: 00193019114940
UPC: 00193019114940
Item: SMF16G Bearing
Type: Linear Miniature Slide Bush
Retainer Material: Resin
Quantity: One Bearing
Dynamic load rating Cr: 774 N
Type: Linear Miniature Slide Bush
Retainer Material: Resin
Quantity: One Bearing
Dynamic load rating Cr: 774 N
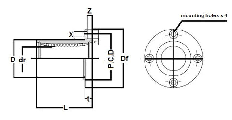
| SMF16G Flange Type rotonda Flange Type: bussola di scorrimento miniaturizzata Made in Japan: NB Linear Systems NipponNippon Bearing Miniature Linear Systems |
Boccola Linear Slide miniaturizzata rotonda SMF16G, Il retainer material è la resina, series utilizzata principalmente negli USA, marchio NBNippon Bearing Linear Systems), prodotto in Giappone.
|
| Major Dimensions | ||||||||
|---|---|---|---|---|---|---|---|---|
| dr | D | L | Df | t | P.C.D | X x x | ||
| mm | tolerance | mm | tolerance | |||||
| 16 | 0-9 | 28 | 0-16 | 37 | 48 | 6 | 38 | 4,5 x ,5 x ,1 |
Condividi