NB
SMF16G 16mm Gleitbuchse Kugelbuchsen Miniatur Linear Motion Bearing
Titel
Regulärer Preis
$49.99
Verkaufspreis$100.00Sie sparen $50.01
SKU: Kit19904
UPC: 00193019114940
UPC: 00193019114940
Item: SMF16G Bearing
Type: Linear Miniature Slide Bush
Retainer Material: Resin
Quantity: One Bearing
Dynamic load rating Cr: 774 N
Type: Linear Miniature Slide Bush
Retainer Material: Resin
Quantity: One Bearing
Dynamic load rating Cr: 774 N
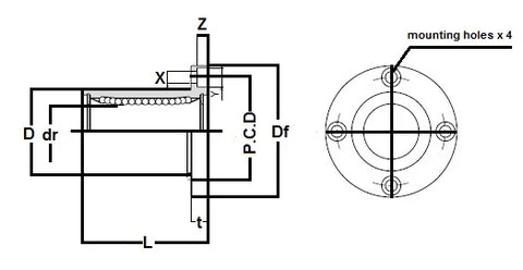
| SMF16G Flange Type:Miniatur-Gleitbuchse Made in JapanNB Linear Systems NipponNippon Bearing Miniature Linear Systems |
SMF16G Runde Linear Slide , Das retainer material ist Harz, die series wird hauptsächlich in den USA verwendet, Marke NBNippon Bearing Linear Systems), Made in Japan.
|
| Major Dimensions | ||||||||
|---|---|---|---|---|---|---|---|---|
| dr | D | L | Df | t | P.CD | X x x | ||
| mm | tolerance | mm | tolerance | |||||
| 16 | 0-9 | 28 | 0-16 | 37 | 48 | 6 | 38 | 4,5 x ,5 x ,1 |
Teilen Sie